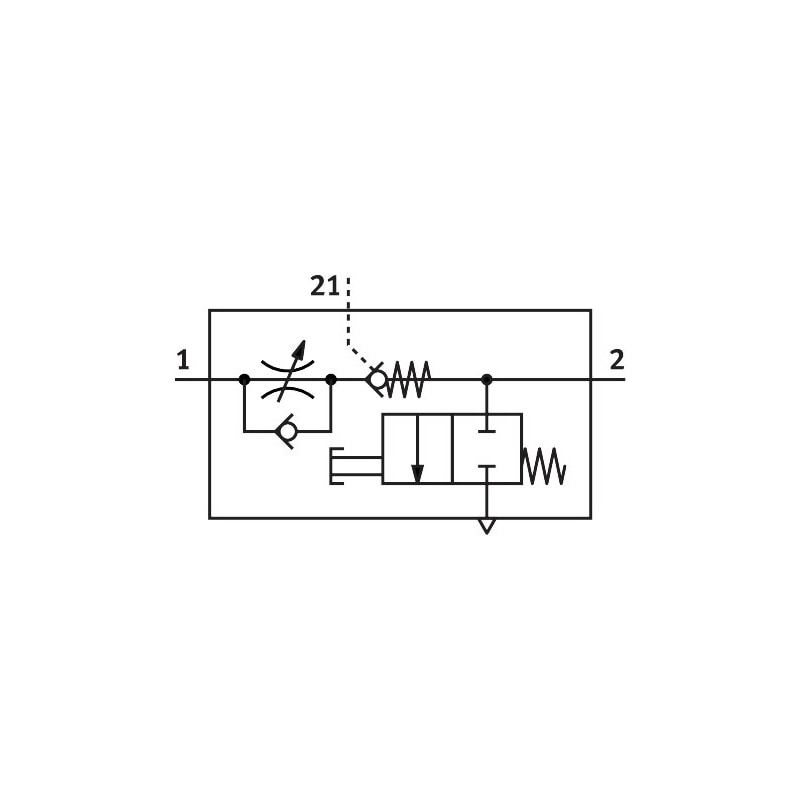
one-way flow control valve
VFOF-LE-BAH-G14-Q8
Part number:Â 1927030
| Valve function | One-way flow control function for exhaust air |
|---|---|
| Pneumatic connection, port 1Â | QS-8 |
| Pneumatic connection, port 2Â | G1/4 |
| Type of actuation | manual |
| Pilot air port 21Â | QS-8 |
| Adjusting element | Internal hex |
| Mounting type | Threaded |
| Standard nominal flow rate in flow control direction | 590 l/min |
| Standard nominal flow rate in non-return direction | 310 … 540 l/min |
| Operating pressure | 0.2 … 10 bar |
| Pilot pressure | 2 … 10 bar |
| Ambient temperature | ‘-10 … 60 °C |
| Material housing | PBT |








Reviews
There are no reviews yet