| Lap | Underlap |
|---|---|
| Nominal width | 2 mm |
| Type code | VZO |
| Actuation type | Pneumatic |
| Design | Poppet valve with return spring |
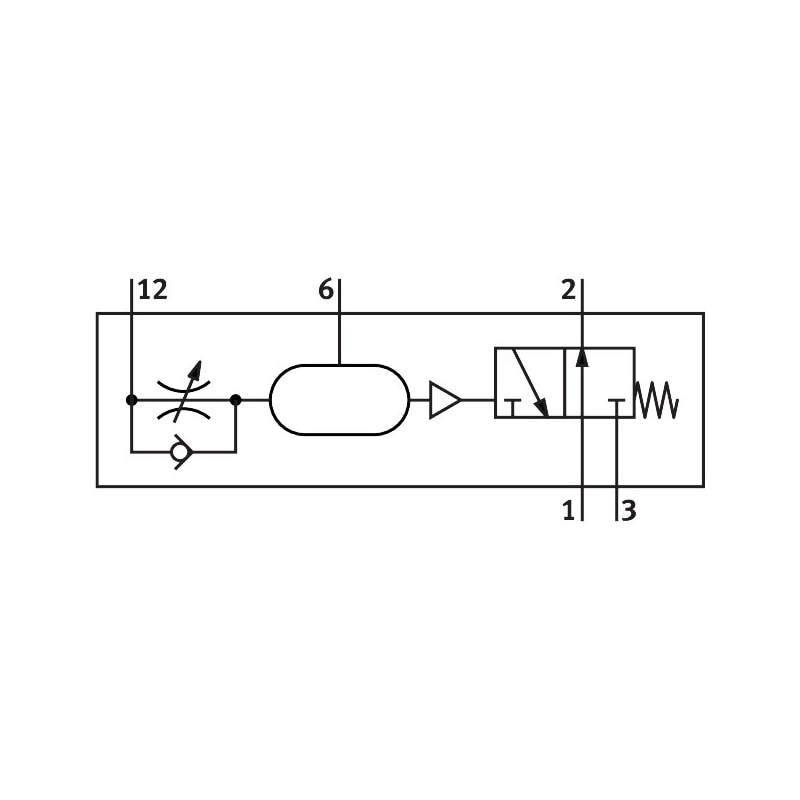
| Symbol | 991131 |
| Note on forced dynamization | Switching frequency at least once a week |
| Operating pressure | 2.5 bar … 8 bar |
| Standard nominal flow rate | 60 l/min |
| Adjustable delay time | 0.25 s … 5 s |
| Pause period for reset | ≥ 50 ms |
| Repetition accuracy of time setting | ± 0.5 s |
| Operating medium | Compressed air as per ISO 8573-1:2010 [7:4:4] |
| Information on operating and pilot media | Operation with oil lubrication not possible |
| Pilot medium | Compressed air as per ISO 8573-1:2010 [7:4:4] |
| Ambient temperature | -10 °C … 60 °C |
| Product weight | 150 g |
| Type of mounting | On mounting frameOptionally:Front panel mounting |
| Pneumatic connection | PK-3 |
| Housing material | Die-cast zinc |
| Weight | 0.429901 lbs |
|---|---|
| Dimensions | 3.425197 × 3.149606 × 1.771654 in |
Only logged in customers who have purchased this product may leave a review.



Reviews
There are no reviews yet